1585035706518551259555

专注螺杆点胶阀定制生产厂家

自主研发、生产、销售服务于一体科技型公司,为客户提供专业高精密流体控制解决方案。

苏州典焦发
  • 高频精密低压喷雾阀

高频精密低压喷雾阀

工作原理

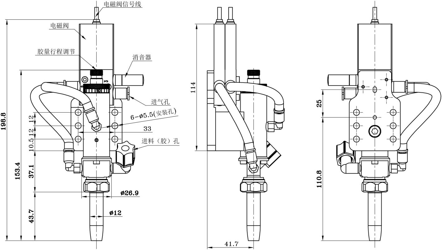
DJF-08FG-A高频精密低压雾化阀是一种非接触式低压涂覆雾化阀,以圆形雾化形式进行涂覆,为各种低粘度流体,提供高速输送和特殊的体积控制。涂层在狭窄的空间中,在程序控制下具有喷雾模式的灵活性和无与伦比的多功能性。高频精密低压雾化阀操作是流体和空气辅助控制的结合。关闭空气辅助装置后,以斑点或珠子分配液体。与空气辅助,它提供涂层条纹作为一个雾化喷雾。

DJF-08FG-A 技术规范说明

重量

0.2748千克(274.8克)

进料接头

PP材质塑料/不锈钢材质

阀体

304不锈钢

气缸座

304不锈钢

阀针组件

304不锈钢阀针/O型圈(丁腈橡胶NBR)

流体密封

铁氟龙(PTFE)/304不锈钢

驱动气压

0.5MPa~0.6MPa   (开启气压)

液体输送压力

0.01MPa~0.6MPa

雾化气压

0.01MPa~0.03MPa

喷涂宽度

4~16mm

喷涂厚度

50~400μm

液体粘度范围

0.001~1.5Pa·s ( 1~1500Cps)

最大工作频率

20Hz

电磁阀

24VDC,6W

雾化阀

水性溶胶喷雾阀

典型应用
相关产品

与我们取得联系,并获取报价

无论您的需求如何,与我们取得联系,获取定制化的报价,我们将第一时间与您取得联系

在线咨询在线留言

需要帮助?请联系我们
友情链接:
Copyright © 2021 苏州典焦发自动化科技有限公司 版权所有 All rights reserved 备案号:苏ICP备2023023588号-2
网站地图